兩節鎳氫電池串聯就是1.2V+1.2V=2.4V的供電電壓了,2.4V升3V, 2.4V升3.3V的話,就能穩壓穩定給模塊供電了,鎳氫電池是會隨著使用的電池電量減少的話,電池的電壓也是跟著變化的,導致2.4V不能穩定輸出,給后面電路照成電池能量浪費的同時,和電路板工作的不穩定。
PW5100是0.7V-5V輸入的,低功耗10uA,輸出電流可達500-600MA的低功耗升壓IC,效率可到93%。
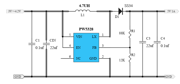
PW5328B是2V-24V輸入的異步升壓芯片,輸出電流可達1A-2A等。
PW5328B具有在輕負載下自動切換到脈沖頻率調制模式的特點。 PW5328B包括欠壓鎖定、電流限制和熱過載保護防止輸出過載時損壞。 PW5328B提供小型 6針 SOT-23封裝。


非常感謝用戶kuakewei 的投稿!
本文地址:http://www.mnu8.com/Components/16098147064182.shtml
本文標簽:
猜你感興趣:
PL2303 PFM升壓 DC-DC 變換器
關鍵詞: 所屬欄目:元器件知識
PS7516 2.5A高效同步PWM增壓轉換器
關鍵詞: 所屬欄目:元器件知識
PS7526 高效 DC-DC 同步整流升壓轉換器
關鍵詞: 所屬欄目:元器件知識
PL7512A 非同步的PWM提升轉換器
關鍵詞: 所屬欄目:元器件知識
FP6715 5V、2.5A、550 KHz高效低波紋同步升壓轉換器
關鍵詞: 所屬欄目:元器件知識
干電池升壓IC 3.3V的電源芯片PW5100
PW5100 的工作頻率高達 1.2MHz,其目的是為了能夠減小外部的電感尺寸和輸出電容容值,故 PW5100 只需要 1uH 以上的電感就可以保證正常工作,
但是輸出端如果需要輸出大電流負載(例如:輸出電流大于 200mA),為了提高工作效率,建議使用較大一點的電感。
同時輕載應用,輸出電流10M,50MA左右時,建議使用大的的電感如6.8UH。
關鍵詞: 所屬欄目:電子器材
PC1961同步升壓芯片直接替代PW5100
產品概述
PC1961系列產品是一款低功耗高效率、低紋波、工
作頻率高的 PFM 控制升壓 DC-DC 變換器。
PC1961 系列產品僅需要3個外部元器,即可完成低
輸入的電池電壓輸入。
用途
1-3 個千電池的電子設備數碼相機。電子詞典 LED手電簡、LED燈
血壓計、MP3、遙控玩具 無線耳機、無線鼠標鍵盤、醫療器械
防丟器、汽車防盜器、充電器 VCR、PDA 等手持電子設備
典型應用電路
.
,產品特點
最高效率:94% 最高工作頻率:300KHz 低
關鍵詞: 所屬欄目:集成塊資料
1V升壓到3V的芯片,1V升壓3.3V電路圖
1V升壓到3V和1V升壓3.3V的升壓芯片?
PW5100 是一款效率很大、低功耗、低紋波、高工作頻率的 PFM 同步升壓 DC/DC 變換器。輸出電壓可選固定輸出值,從 3.0V,3.3V, 5.
關鍵詞: 所屬欄目:元器件知識
FP6276可過EMI版本升壓芯片
關鍵詞: 所屬欄目:元器件知識
12V轉5V降壓芯片,12V轉3.3V穩壓芯片電路圖
12V轉5V應用中,大多要求會輸出電流高的,穩壓LDO就不能滿足了,需要使用DC-DC降壓芯片來持續穩壓5V,輸出電流1000MA,2000MA,3000MA,5000MA等。不同的輸出電流可以選擇適
關鍵詞: 所屬欄目:元器件知識
5V降壓轉3.3V,5V轉3V電路圖芯片
5V降壓轉3.3V和3V都是低壓,兩個之間的壓差效率,所以效率和工作溫度這塊都會比較優秀,輸入和輸出的最低壓差外是越小越好。
如果電流比較小,可以用LDO:PW6566 系列是
關鍵詞: 所屬欄目:元器件知識
2V升5V的升壓芯片,兩款芯片電路圖
2V的輸入電壓,是可以用來做5V輸出的升壓電路,但是2V的供電設備很少,不知道還有什么東西是2V電壓的,還需要升壓到5V的電路系統。
兩款2V升5V的芯片電路圖: PW5100升壓芯
關鍵詞: 所屬欄目:元器件知識
2V升3V芯片,輸入2V輸出3V可達1A
PW5328B是一個恒定頻率, 6引腳 SOT23電流模式升壓轉換器,用于小型低功耗應用。 PW5328B的開關頻率為 1.2MHz,允許使用微小的、低成本的電容器和電感器。內部軟啟動導致小
關鍵詞: 所屬欄目:元器件知識
2V升3.3V芯片,輸出500MA,低功耗10uA解決方案
2V的輸入電壓其實非常少,一般都是鎳氫電池1.2V,干電池1.5V,來給玩具,MCU單片機,模塊啊,等等供電。不過2V的供電電源或者設備確實是不常見的。
一般2V升3.3V,需要升
關鍵詞: 所屬欄目:元器件知識
2.4V升5V芯片,8uA功耗,低功耗升壓電路圖
2.4V升5V,可用于USB拔插充電,也可以用于把兩節鎳氫電池2.4V升壓到5V,的固定輸出穩壓電壓值,同時輸出電流可達1A,0.5A等
首先是先說下0.5A的這款的話,是比較低功耗
關鍵詞: 所屬欄目:元器件知識
1V升3V芯片,1V升3.3V芯片,大電流的,低功耗
一般來說,1V的電壓實在很低了,即使是干電池的話,再1V時,也是基本屬于沒電狀態了。還有一種是干電池輸出電流大時,也會把干電池的電壓從1.5V拉低到1V左右。
更多
關鍵詞: 所屬欄目:元器件知識
1.8V升3V芯片,1.8V升3.3V升壓芯片方案
兩節干電池由于耗電量電壓會降低,無法長期穩定的輸出3V或者3.3V供電,直接兩節干電池會供電電壓不穩,影響后面電路穩定。兩節干電池的供電電壓在1.8V-3.2V左右
1.8V升3V升
關鍵詞: 所屬欄目:元器件知識
1.5V升3V芯片和電路圖,DC-DC升壓IC
1.5V升3V的升壓芯片,3V給LED供電,或者單片機模塊供電等。
PW5200A工作頻率為1.4MHZ。輕載時自動PWM/PFM模式切換,提高效率。
PW5200A能夠提供2.5V和5V之間的可調輸出電
關鍵詞: 所屬欄目:元器件知識
2V轉5V輸出,2.4V轉5V輸出,DC-DC同步整流升壓電路
PW5100可以適用于2V轉5V和2.4V轉5V的應用電路中,PW5100是一顆DC-DC的同步升壓轉換器芯片。
PW5100特點: 低輸入,寬范圍:0.7V-5V 輸出電壓固定,外圍少:3V,3..3V,5V 輸
關鍵詞: 所屬欄目:元器件知識
2V轉3V,2.4V轉3V的電源芯片電路圖
兩節鎳氫電池1.2V+1.2V是2.4V的標稱電壓,2.4V可以轉3V輸出電路應用。
在2.4V轉3V和2V轉3V的應用中,輸出電流可最大600MA。 2V的低壓輸入,可以采用PW5100低壓輸入專
關鍵詞: 所屬欄目:元器件知識