星三角啟動電路圖應用很廣,在一些小、中型電機啟動電路中常能見到,那么到低什么是星三角啟動電路呢,星三角意思是啟動的時候用星型接法,電機在星" />

容-源-電-子-網-為你提供技術支持
本文地址:http://www.mnu8.com/dz/26/15438999502694.shtml
本文標簽:
猜你感興趣:
ACM6252 單相正弦波/方波(BLDC)直流無刷電機驅動IC
深圳市永阜康科技有限公司現在大力推廣一顆單相正弦波/方波直流無刷電機驅動IC-ACM6252. 工作電壓3.1V-18V、工作電流1.2A, 可覆蓋大多數中小功率(<1A)的風機、泵機類應用。
關鍵詞: 所屬欄目:其他文章
溫度采集器選YXC揚興科技:YSO110TR低啟動時間與多電壓
作為溫度采集器的關鍵組成部分之一,晶振在保證采集器的精確性和可靠性方面發揮著重要的角色。在這一背景下,YXC揚興科技推出了旗下的產品系列之一——YSO110TR寬電壓有源晶振,為溫度采集器行業提供了高品質的解決方案。
關鍵詞: 所屬欄目:電子基礎
ACM6753 無霍爾傳感器三相正弦波直流無刷電機BLDC馬達
深圳市永阜康科技有限公司現在大力推廣一顆三相無傳感器正弦波驅動直流無刷馬達驅動IC-ACM6753,集成驅動算法+預驅+MOS,內置電流檢測,外圍元件僅需5個電容,應用極其簡單。
關鍵詞: 所屬欄目:其他文章
FP6373AS6CTR芯片具有內部軟啟動限制涌入電流的特點,
概述:
FP6373A是一種高效率的1MHz同步降壓DC-DC調節器,能夠輸出電流敢達3A。FP6373A在2.7V至5.5V,集成主開關和同步切換到非常低的RDS(ON),以最小化傳導損耗。輸出電
關鍵詞: 所屬欄目:元器件知識
TIS導熱絕緣片擁有的特性可解決電機存在的發熱發燙問題
想要達到良好的導熱散熱效果,需要導熱絕緣片對其中電機發熱部位進行電氣隔離。TIS導熱絕緣片系列具有絕緣導熱的性能,具有抗撕裂和刺穿的優良特性。
關鍵詞: 所屬欄目:其他文章
DRV8837 12V單通道全橋電機驅動芯片替代料GC8837
GC8837是一款12V直流電機驅動芯片,為攝像機,消費類產品,玩具和其他低壓或者電池供電的運動控制類應用提供了集成的電機驅動解決方案。芯片一般用了驅動一個直流電機或者使用兩顆來驅動步進電機。
GC8837可以工作在0-12V的電源電壓上,能提供高達1.5A持續輸出或則2A峰值電流,睡眠模式功耗小于1Ua.
GC8837具有PWM(IN/IN)輸入接口與行業標準器件兼容,并具有過溫保護功能,芯片集成了過溫保護,欠壓保護,短路保護,過流保護等功能
芯片特點
關鍵詞: 所屬欄目:集成塊資料
LV8549雙通道全橋電機驅動芯片替代料GC8549
GC8549 是一款雙通道 12V 直流電機驅動芯片,為攝像機、消費類產品、玩具和其他低壓或者電池供電的運動控制類應用提供了集成的電機驅動解決方案。芯片一般用來驅動兩個直流電機或者驅動一個步進電機。GC8549 可以工作在 3.8~12V 的電源電壓上,每通道能提供高達 1.5A 持續輸出電流或者2.5A峰值電流, 睡眠模式下功耗小于1uA。GC8549 具有 PWM(IN/EN)輸入接口,與行業標準器件兼容,并具有過溫保護,欠壓保護,短路保護,過流保護等功能。GC8549 內置 LDO,不需要邏輯電源,
關鍵詞: 所屬欄目:集成塊資料
直流電機驅動GC9110 pin對pin兼容L9110.
首先看看,GC9110T 是一款 12V 直流電機驅動芯片,為攝像機、消費類產品、玩具和其他低壓或者電池供電的運動控制類應用提供了集成的電機驅動解決方案。芯片一般用了驅動一個直流電機或者使用兩顆來驅動一個步進電機。GC9110T 是 GC9110(低壓 6V 驅動)的 12V 升級版本,客戶根據應用電壓與成本
來選擇芯片。GC9110T 可以工作在 3.8~12V 的電源電壓上,能提供高達 1.5A 持續輸出電流或則2.5A 峰值電流,睡眠模式下功耗小于 1uA。GC9110T 具有 PWM(IN/IN
關鍵詞: 所屬欄目:集成塊資料
LV8548雙通道H橋電機驅動芯片替代料GC8548
GC8548 是一款雙通道 12V 直流電機驅動芯片,為攝像機、消費類產品、玩具和其他低壓或者電池供電的運動控制類應用提供了集成的電機驅動解決方案。芯片一般用來驅動兩個直流電機或者驅動一個步進電機。GC8548 可以工作在 3.8~12V 的電源電壓上,每通道能提供高達 1.5A 持續輸出電流或者 2.5A 峰值電流,睡眠模式下功耗小于1uA。GC8548 具有 PWM(IN/IN)輸入接口,與行業標準器件兼容,并具有過溫保護,欠壓保護,短路保護,過流保護等功能。GC8548 內置 LDO,不需要邏輯電源
關鍵詞: 所屬欄目:電子報
GC9110T完全替代L9110 1.5A玩具單通道12V直流電機驅動
首先看看,GC9110T 是一款 12V 直流電機驅動芯片,為攝像機、消費類產品、玩具和其他低壓或者電池供電的運動控制類應用提供了集成的電機驅動解決方案。芯片一般用了驅動一個直流電機或者使用兩顆來驅動一個步進電機。GC9110T 是 GC9110(低壓 6V 驅動)的 12V 升級版本,客戶根據應用電壓與成本
來選擇芯片。GC9110T 可以工作在 3.8~12V 的電源電壓上,能提供高達 1.5A 持續輸出電流或則2.5A 峰值電流,睡眠模式下功耗小于 1uA。GC9110T 具有 PWM(IN/IN
關鍵詞: 所屬欄目:電子報
時控開關能不能控制三相電機?
時控開關可以控制三相電機。時控開關控制三相電機需要連接一個380V交流接觸器,用時控開關控制交流接觸器,交流接觸器控制三相電機達到定時開關的效果。
關鍵詞:電機控制 所屬欄目:開關電源電路圖
L9110/GC9110/GC9110T馬達驅動芯片介紹及應用場合
描述
GC9110 是一款低壓 5V 全橋驅動芯片,為攝像機、 消費類產品、 玩具和其他低壓或者電池供電的運動控制類應用提供了集成的電機驅動解決方案。GC9110 能提供高達 1.3A 的持續輸出電流。 可以工作在 1.2~7V 的電源電壓上。GC9110 具有 PWM(IN/IN) 輸入接口,與行業標準器件兼容, 并具有過溫保護功能。GC9110S 是 SOP8pp 封裝, GC9110D 是DFN 封裝。
關鍵詞: 所屬欄目:集成塊資料
定時開關控制三相電機怎么接線?
想要定時開關控制三相電機,必須連接交流接觸器,定時開關是無法直接控制三相電機的,今天咱們講解定時開關控制三相電機的接線步驟。
關鍵詞: 所屬欄目:開關電源電路圖
定時開關怎么控制電機?
市場上電機的功率都是千瓦(kw)起步的,而定時開關直接控制電器,最大的功率在660W,所以用定時開關直接控制千瓦(kw)級別的電機,肯定是容易燒壞的,想要用定時開關控制電機,必須連接交流接觸器。
關鍵詞: 所屬欄目:開關電源電路圖
IR2110三相橋式電機驅動電路
IR2110采用HVIC和閂鎖抗干擾CMOS制造工藝,DIP14腳封裝。具有獨立的低端和高端輸入通道;懸浮電源采用自舉電路,其高端工作電壓可達500V,dv/dt=±50V/ns,15V下
關鍵詞: 所屬欄目:其他文章
GC8548雙通道H橋電機驅動芯片替代LV8548
GC8548 是一款雙通道 12V 直流電機驅動芯片,為攝像機、消費類產品、玩具和其他低壓或者電池供電的運動控制類應用提供了集成的電機驅動解決方案。芯片一般用來驅動兩個直流電機或者驅動一個步進電機。GC8548 可以工作在 3.8~12V 的電源電壓上,每通道能提供高達 1.5A 持續輸出電流或者 2.5A 峰值電流,睡眠模式下功耗小于1uA。GC8548 具有 PWM(IN/IN)輸入接口,與行業標準器件兼容,并具有過溫保護,欠壓保護,短路保護,過流保護等功能。GC8548 內置 LDO,不需要邏輯電源
關鍵詞: 所屬欄目:集成塊資料
小電機噪音大解決辦法
小電機噪音大解決辦法 小型化是許多行業持續關注的問題,也是近年來的主要趨勢之一,從手工工具到桌面和工廠設備,無論是用于生產、測試還是日常實驗室使用,運動和定位系
關鍵詞:電機控制 所屬欄目:其他文章
星三角啟動切換短路原因分析
星三角主張在切換時跳閘”的疑問呈現屢次了,看來這種景象仍是對比廣泛的!說說我的觀念。 1、我不相附和有人說的“Y觸摸器跳開晚了,構成三相短路”的說
關鍵詞:電機控制 所屬欄目:其他文章
電機正反轉控制電路圖及實物接線圖
電機正反轉控制電路圖及實物接線圖;;;要實現電機正反轉控制就得改變電動機的其中兩相,也就是換相,如下圖中,從主電路圖中可以看出,是更換了A與B相的順序來實現電機正反轉控制的。;;在介紹工作原理前,先給大家介紹一些專業詞語。
關鍵詞:電機控制 所屬欄目:其他文章
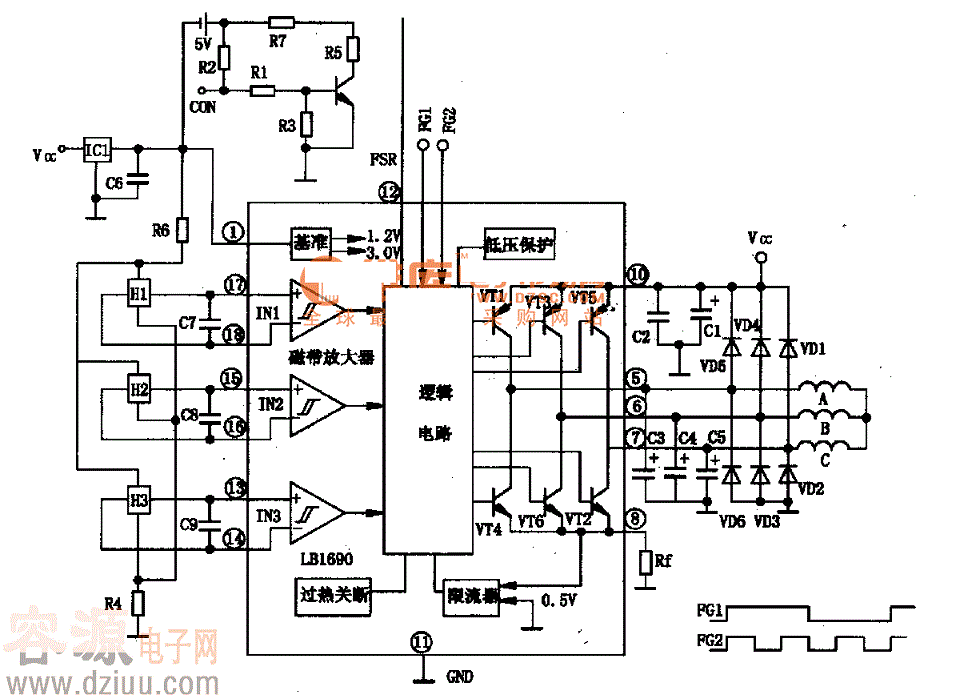
LBl690-高性能直流無刷電機控制集成電路圖
LBl690是日本三洋公司生產的三相無刷直流電機驅動控制集成電路,廣泛應用于國產和進口"換新風"、"清新空調"直流無刷換氣風機的驅動控制。 1·功能特點 LBl690集成電路具有過電流限制、熱關斷電路、HALL磁
關鍵詞: 所屬欄目:音頻功放電路