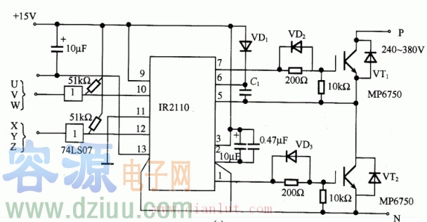
IR2110驅動IGBT電路如圖所示。電路采用自舉驅動方式,VD1為自舉二極管,C1為自舉電容。接通電源,VT2導通時Cy通過VDt進行充電。這種電路適用于驅動較小容量的IGBT.對于IR2110,當供電電壓較低時具有使驅動器截止的保護功能。自舉驅動方式支配著VT2的導通電壓,因此電壓較低的保護功能是其必要條件。若驅動電壓較低時驅動IGBT,則IGBT就會發生熱損壞。VD1選用高速而耐壓大于600V的ERA38-06、ERB38-06等二極管。
IR2110 drives IGBT circuit as shown in the figure. The circuit adopts bootstrap drive mode, VD1 is a bootstrap diode, and C1 is a bootstrap capacitor. When the power is turned on, Cy is charged through VDt when VT2 is turned on. This kind of circuit is suitable for driving smaller capacity IGBT. For IR2110, when the power supply voltage is low, it has the protection function of turning off the driver. The bootstrap drive mode dominates the turn-on voltage of VT2, so a lower voltage protection function is a necessary condition. If the IGBT is driven at a low driving voltage, the IGBT will be thermally damaged. VD1 selects diodes such as ERA38-06 and ERB38-06 with high speed and withstand voltage greater than 600V.
本文地址:http://www.mnu8.com/dz/21/IR2110_1621.shtml
本文標簽:
猜你感興趣:
ACM6252 單相正弦波/方波(BLDC)直流無刷電機驅動IC
深圳市永阜康科技有限公司現在大力推廣一顆單相正弦波/方波直流無刷電機驅動IC-ACM6252. 工作電壓3.1V-18V、工作電流1.2A, 可覆蓋大多數中小功率(<1A)的風機、泵機類應用。
關鍵詞: 所屬欄目:其他文章
液晶顯示驅動芯片VK1072B/C/D液晶驅動IC原廠/適用醫用
關鍵詞: 所屬欄目:開關電源電路圖
驅動電動車儀表的關鍵選擇—YXC揚興科技 YSX321SL 石英
YSX321SL石英諧振器的核心特點是其頻率穩定性和精確性。采用27.12MHz頻率,經過精密設計和優化,常溫頻差僅為±10PPM,能夠提供高精度的時鐘信號輸出。這為電動車儀表提供了準確可靠的時間參考,使得儀表顯示更加精準,功能操作更加流暢。
關鍵詞: 所屬欄目:電子基礎
ACM6753 無霍爾傳感器三相正弦波直流無刷電機BLDC馬達
深圳市永阜康科技有限公司現在大力推廣一顆三相無傳感器正弦波驅動直流無刷馬達驅動IC-ACM6753,集成驅動算法+預驅+MOS,內置電流檢測,外圍元件僅需5個電容,應用極其簡單。
關鍵詞: 所屬欄目:其他文章
VK1640電磁爐/冰箱LED 高壓驅動,數碼管LED顯示屏驅動
VK1640是一種數碼管或點陣LED驅動控制專用芯片,內部集成有數據鎖存器、LED 驅動等電路。SEG腳接LED陽極,GRID腳接LED陰極,可支持8SEGx16GRID的點陣LED顯示。適用于小型LED顯示屏驅動。采用SOP28的封裝形式。
關鍵詞: 所屬欄目:元器件知識
PC1625裸片/封裝片-驅動顯示芯片直接替代H1625
工作電壓 : 2.4V~5.2V,內建 256KHz RC oscillator 提供 1/4 偏壓 1/8 COM 周期省電模式
64x8 LCD 駆動器內建 64x8 bit 顯示內存,3-wire serial interface
軟件程控
資料及指令模式自動增加讀寫地址 
概述
PC1625 是一個 64x8 的 LCD 駆動器. 可軟件程控使其適用于多樣化的 LCD 應
關鍵詞: 所屬欄目:集成塊資料
HT1621B顯示驅動芯片直接替代PC1621K
PC1621B是一個32*4的LCD驅動器,可軟體程控使其適用于多樣化的LCD應用線路,僅用到3至4條訊號線便可控制LCD驅動器,除此之外也可介由指令使其進入省電模式
特色:
 工作電壓:2.4-5.2V
 內建256KHz RC oscillator
 可外接 32.768KHz石英震蕩器或256KHz頻率
 可選擇1/2,1/3 偏壓,也可選擇1/2,1/3或1/4的COM周期
&
關鍵詞: 所屬欄目:集成塊資料
高導熱硅脂可滿足LED驅動器散熱需求
兆科推薦高導熱硅脂來幫助LED驅動器散熱,高導熱硅脂是電子元器件的熱傳遞介質,如:CPU與散熱器填隙、大功率三及管、可控硅元件二及管、基材鋁、銅接觸的縫隙處填充,均可降低發熱元件的工作溫度。
關鍵詞: 所屬欄目:led
A4931的替代芯片---BLDC三相無刷預驅動--GC4931
GC4931F/S 是一款三相無刷直流電機預驅動芯片。 芯片可以驅動N型功率MOSFET,最高電源到 36V。芯片狀態切換邏輯受三個相位差為 120°的霍爾輸入確定。兼容替代A4931,MS4931芯片集成固定衰減時間的脈沖調制來控制電流并且抑制勵磁涌流;堵轉保護時間可調;過溫保護,過壓監測,同步整流等等。其中內置的同步整流器通過在衰減周期內,打開合適的低內阻的開關管以取代反向續流二極管來降低功耗。當芯片監測到過壓時芯片會關斷同步整流以減小變化電流引起的電源電壓波動。
GC4931F/S 的邏輯輸入腳有
關鍵詞: 所屬欄目:集成塊資料
DRV8837 12V單通道全橋電機驅動芯片替代料GC8837
GC8837是一款12V直流電機驅動芯片,為攝像機,消費類產品,玩具和其他低壓或者電池供電的運動控制類應用提供了集成的電機驅動解決方案。芯片一般用了驅動一個直流電機或者使用兩顆來驅動步進電機。
GC8837可以工作在0-12V的電源電壓上,能提供高達1.5A持續輸出或則2A峰值電流,睡眠模式功耗小于1Ua.
GC8837具有PWM(IN/IN)輸入接口與行業標準器件兼容,并具有過溫保護功能,芯片集成了過溫保護,欠壓保護,短路保護,過流保護等功能
芯片特點
關鍵詞: 所屬欄目:集成塊資料
LV8549雙通道全橋電機驅動芯片替代料GC8549
GC8549 是一款雙通道 12V 直流電機驅動芯片,為攝像機、消費類產品、玩具和其他低壓或者電池供電的運動控制類應用提供了集成的電機驅動解決方案。芯片一般用來驅動兩個直流電機或者驅動一個步進電機。GC8549 可以工作在 3.8~12V 的電源電壓上,每通道能提供高達 1.5A 持續輸出電流或者2.5A峰值電流, 睡眠模式下功耗小于1uA。GC8549 具有 PWM(IN/EN)輸入接口,與行業標準器件兼容,并具有過溫保護,欠壓保護,短路保護,過流保護等功能。GC8549 內置 LDO,不需要邏輯電源,
關鍵詞: 所屬欄目:集成塊資料
MOS管驅動是指什么
在MOS管的結構中可以看到,在GS,GD之間存在寄生電容,而MOS管的驅動,實際上就是對電容的充放電。對電容的充電需要一個電流,因為對電容充電瞬間可以把電容看成短路,所以瞬間電流會比較大。選擇/設計MOS管驅動時要注意的是可提供瞬間短路電流的大小。
關鍵詞: 所屬欄目:元器件知識
光耦驅動芯片實現IGBT驅動電路的應用方案
光耦驅動芯片HCPL-316J是Agilent公司[編者注:2014年8月更名為keysight(是德)公司]生產的柵極驅動電路產品之一,可用于驅動150A/1200V的IGBT,開關速度為0.5?s,有過流
關鍵詞: 所屬欄目:元器件知識
A4931的替代芯片---BLDC三相無刷預驅動--GC4931
GC4931F/S 是一款三相無刷直流電機預驅動芯片。 芯片可以驅動N型功率MOSFET,最高電源到 36V。芯片狀態切換邏輯受三個相位差為 120°的霍爾輸入確定。兼容替代A4931,MS4931芯片集成固定衰減時間的脈沖調制來控制電流并且抑制勵磁涌流;堵轉保護時間可調;過溫保護,過壓監測,同步整流等等。其中內置的同步整流器通過在衰減周期內,打開合適的低內阻的開關管以取代反向續流二極管來降低功耗。當芯片監測到過壓時芯片會關斷同步整流以減小變化電流引起的電源電壓波動。
GC4931F/S 的邏輯輸入腳有
關鍵詞: 所屬欄目:集成塊資料
直流電機驅動GC9110 pin對pin兼容L9110.
首先看看,GC9110T 是一款 12V 直流電機驅動芯片,為攝像機、消費類產品、玩具和其他低壓或者電池供電的運動控制類應用提供了集成的電機驅動解決方案。芯片一般用了驅動一個直流電機或者使用兩顆來驅動一個步進電機。GC9110T 是 GC9110(低壓 6V 驅動)的 12V 升級版本,客戶根據應用電壓與成本
來選擇芯片。GC9110T 可以工作在 3.8~12V 的電源電壓上,能提供高達 1.5A 持續輸出電流或則2.5A 峰值電流,睡眠模式下功耗小于 1uA。GC9110T 具有 PWM(IN/IN
關鍵詞: 所屬欄目:集成塊資料
LV8548雙通道H橋電機驅動芯片替代料GC8548
GC8548 是一款雙通道 12V 直流電機驅動芯片,為攝像機、消費類產品、玩具和其他低壓或者電池供電的運動控制類應用提供了集成的電機驅動解決方案。芯片一般用來驅動兩個直流電機或者驅動一個步進電機。GC8548 可以工作在 3.8~12V 的電源電壓上,每通道能提供高達 1.5A 持續輸出電流或者 2.5A 峰值電流,睡眠模式下功耗小于1uA。GC8548 具有 PWM(IN/IN)輸入接口,與行業標準器件兼容,并具有過溫保護,欠壓保護,短路保護,過流保護等功能。GC8548 內置 LDO,不需要邏輯電源
關鍵詞: 所屬欄目:電子報
GC9110T完全替代L9110 1.5A玩具單通道12V直流電機驅動
首先看看,GC9110T 是一款 12V 直流電機驅動芯片,為攝像機、消費類產品、玩具和其他低壓或者電池供電的運動控制類應用提供了集成的電機驅動解決方案。芯片一般用了驅動一個直流電機或者使用兩顆來驅動一個步進電機。GC9110T 是 GC9110(低壓 6V 驅動)的 12V 升級版本,客戶根據應用電壓與成本
來選擇芯片。GC9110T 可以工作在 3.8~12V 的電源電壓上,能提供高達 1.5A 持續輸出電流或則2.5A 峰值電流,睡眠模式下功耗小于 1uA。GC9110T 具有 PWM(IN/IN
關鍵詞: 所屬欄目:電子報
哪個國產品牌馬達驅動芯片好? 首選GC4931 性能超A4931
完全兼容A4931、MS4931,價格實惠。
關鍵詞: 所屬欄目:集成塊資料
L9110/GC9110/GC9110T馬達驅動芯片介紹及應用場合
描述
GC9110 是一款低壓 5V 全橋驅動芯片,為攝像機、 消費類產品、 玩具和其他低壓或者電池供電的運動控制類應用提供了集成的電機驅動解決方案。GC9110 能提供高達 1.3A 的持續輸出電流。 可以工作在 1.2~7V 的電源電壓上。GC9110 具有 PWM(IN/IN) 輸入接口,與行業標準器件兼容, 并具有過溫保護功能。GC9110S 是 SOP8pp 封裝, GC9110D 是DFN 封裝。
關鍵詞: 所屬欄目:集成塊資料
IR2110三相橋式電機驅動電路
IR2110采用HVIC和閂鎖抗干擾CMOS制造工藝,DIP14腳封裝。具有獨立的低端和高端輸入通道;懸浮電源采用自舉電路,其高端工作電壓可達500V,dv/dt=±50V/ns,15V下
關鍵詞: 所屬欄目:其他文章