在家電維修過程中,因電容漏電或容量變化而引發的故障可謂屢見不鮮且故障現象各異。
的指針萬用表和部分數字萬用表都無法測量電容,特別是那些小電容,給維修造成很大的不便。在此,我給大家介紹幾種小容量電容的測量方法,供參考。
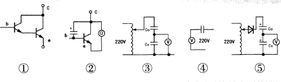
方法l:找一個β≥250的晶體三極管(要求穿透電流要小),如一時找不到,
兩只同型號的三極管復合成達林頓《www.mnu8.com》形式,見圖1。將被測電容并接在三極管的c-e結(若為有極性電容則電容正極接三極管c極),然后用萬用表R×10k擋,黑表筆接c極,紅筆接e極,見圖2,觀察表針瞬時擺動程度。照此法用幾個已知容量的正常(高精確度)的電容反復測試,記錄下表針每次的瞬時最大擺動幅值,l進行
計算,算出表盤上每小格應代表的電容值,備日后參考之用。對電容進行測量時,通過對所測電容表針擺動幅度與參考幅度進行比較可判斷電容的好壞。
方法2:找一個高精確度已知容量的電容(耐壓250V
)和一個自耦輸出電壓可調的變壓器,見圖3。Cn為已知電容,Cx為待測電容,接好線通電之后測Cx與Cn上各自的分壓,但需注意電源變壓后的輸出電壓不應大于Cx的耐壓。
可根據公式Uo/Ux=Co/Cx推算出Cx的容量。若Cx的耐壓在300V
,則可直接將兩只串聯電容接于220V的交流電源(注:此法只適應非極性電容)。 方法3:若電容耐壓在400V
且只需估測電容容量,則可按圖4接線,讓被測電容與萬用表某一表筆串接后,將萬用表撥到電壓擋(250V)測交流電壓,如此用多個已知電容測試,記住表針擺動幅度,這樣可為以后估測電容提供依據(注:此法只限非極性電容)。 方法4:電解電容的測量。因電解電容存在極性問題,可照圖5接一個半波整流二極管,根據被測電容的耐壓適當選擇自耦變壓器的輸出電壓。Co為已知容量的電解電容,cx為待測電容,照圖接線測量后,根據公式Co/Cx=U0/Uv可算出Cx容量。

本方法根據本人多年實驗,效果很好,特別推薦大家使用。
用指針萬用表的人
,而能用指針萬用表測電容容量的方法很少,希望上面的方法對你有幫助。
本文地址:http://www.mnu8.com/dz/21/2010417221654.shtml
本文標簽:
猜你感興趣:
氧含量測量方法:燃料電池法
氧含量檢測廣泛應用于熱能、冶金、化學化工、氣體生產和電子工業等眾多領域。隨著氣體分析儀器的不斷發展,相比手工分析方法,氧氣體分析儀具有準確度高、穩定性好、響應
氧含量測量方法:順磁法
氧氣和其他氣體不同,它的磁化率要比其他氣體高出許多,因此氧氣和其他氣體組合成的混合氣體的磁化率是混合氣體中氧氣所占百分比來決定的,同理如果對氣體磁化率進行測定
單向可控硅和雙向可控硅的作用及測量方法(圖文)
單向可控硅和雙向可控硅的作用及測量方法 可控硅導通條件: 一是可控硅陽極與陰極間必須加正向電壓,二是控制極也要加正向電壓。以上兩個條件 單向可控硅的工作原理圖[1]必須同時具備,
介紹智能電表及電能質量測量方法
今天為大家介紹一項國家發明授權專利——智能電表及電能質量測量方法。該專利由浙江易享節能技術服務股份有限公司申請,并于2018年11月9日獲得授權公告。內容說明
介紹萬用表的結構分析、使用方法和注意事項
無
怎樣用指針萬用表測電容容量
無
可控硅測量方法——詳細介紹
無