KL3型微波電子開關電路本文由www.mnu8.com整理提供,部分內容來源于網絡,如有侵犯到你的權利請與我們聯系更正。
KL3型微波電子開關是
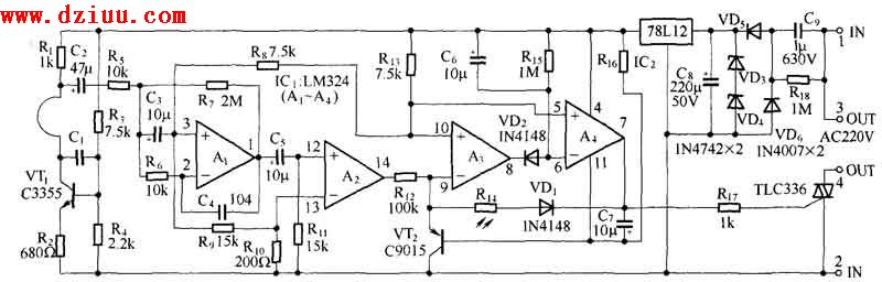
電磁波多普勒效應原理制作而成的,整個電路封裝在塑料殼中,外部有四條引線,其中兩條紅色引出線接交流220V電源,兩條綠色引出線接被控負載,適合用于照明自動控制或防盜報警裝置.本文由www.mnu8.com整理提供,部分內容來源于網絡,如有侵犯到你的權利請與我們聯系更正。

本文地址:http://www.mnu8.com/dz/26/2010121195003.shtml
本文標簽:
猜你感興趣:
介紹雷達式節能燈座電路原理圖
無
轉:KL3型微波電子開關電路
無
實用高效電子捕鼠器電路
無
三相電源缺相保護器原理圖
無
停電照明燈電路圖
無
DMAl2輸入電路圖
無
基于SG3909的閃光燈電路圖
無