如果電腦開關電源損壞或無法工作,計算機也將無法工作。在開始電腦電源維修之前,我們必須確定損壞的原因。電源損壞通常是由于三個因素造成的,可能是由" />

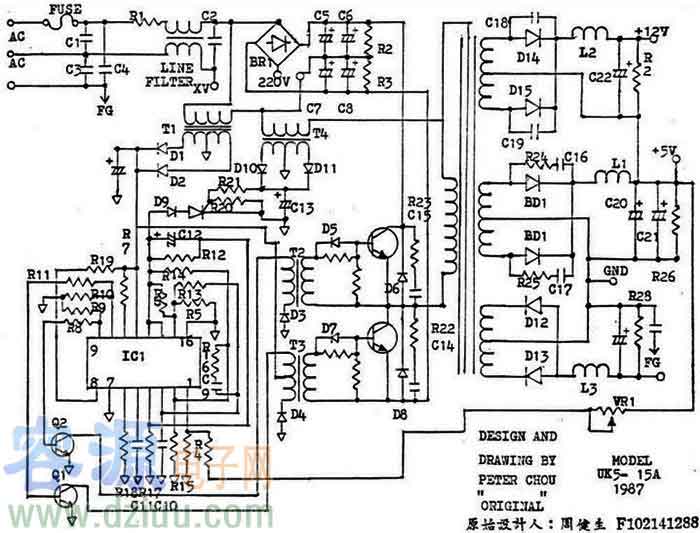
電腦開關電源電路圖
本文地址:http://www.mnu8.com/kaiguandianyuan/15637623823226.shtml
本文標簽:
猜你感興趣:
開關電源散熱設計熱衷于導熱硅膠片的原因及應用方式
在對電源散熱設計時,散熱這一塊就成了電源設計中非常重要的一個環節。電源散熱設計中常用的幾種方法有:使用被動散熱,如:散熱器、冷卻風扇,金屬PCB,導熱材料(導熱硅膠片)等。
關鍵詞: 所屬欄目:開關電源電路圖
自制最簡單12V開關電源電路圖(WS157)
自制最簡單12V開關電源電路圖(WS157)
開關電源是利用現代電力電子技術,控制開關管開通和關斷的時間比率,維持穩定輸出電壓的一種電源,開關電源一般由脈沖寬度調制(
關鍵詞:開關穩壓電源 所屬欄目:開關電源電路圖
TL431開關電源電路圖(5V,1A)
TL431開關電源電路圖(5V,1A)
TL431的封裝 圖中是采用TL431構成的開關穩壓電源電路,輸出電壓為+5V,輸出電流為1A,電路的輸出紋波小,變化效率可達82%。TL431,R5與R
關鍵詞:開關穩壓電源 所屬欄目:開關電源電路圖
臺式電腦電源ATX電源接口定義
臺式電腦電源ATX電源接口定義 可以把IDE口轉換成USB接口,這樣就可以用電腦上的USB口插普通硬盤用了。“易驅線”是需要獨立電源的,可是幾乎所有“易驅
關鍵詞: 所屬欄目:電源電路
開關電源TOP261電路圖(筆記本適配器電路)
開關電源TOP261電路圖(筆記本適配器電路)
OPSwitch-HX 源極引腳的輸入濾波電容的負極端采用單點連接到偏置繞組的回路。使電涌電流從偏置繞組直接返回輸入濾波電容,增
關鍵詞:開關穩壓電源充電器電路圖 所屬欄目:開關電源電路圖
TL494芯片設計48V/3A開關電源電路圖
48V3A開關電源電路
TL494是一種固定頻率脈寬調制電路,它包含了開關電源控制所需的全部功能,廣泛應用于單端正激雙管式、半橋式、全橋式開關電源。TL494有SO-16和PDIP
關鍵詞:開關穩壓電源 所屬欄目:開關電源電路圖
UC3842開關電源電路圖
電源電路圖UC3842開關 當NMOS管導通時,初級線圈N1電流線性增大,磁場增強,次級線圈中VD4截止,由電容C10向負載供電;此時,脈沖變壓器原邊回路中VD2亦截止,N1這時起
關鍵詞: 所屬欄目:電源電路
明緯開關電源常見故障
明緯開關電源常見故障:開關電源是各種電子設備必不可缺的組成部分,其性能優劣直接關系到電子設備的技術指標及能否安全可靠地工作。由于開關電源內部關鍵元器件工作在高頻開
關鍵詞:開關穩壓電源直流穩壓電源穩壓電路 所屬欄目:開關電源電路圖
充電器13001開關電源電路圖
13001開關電源電路圖主要應用于小功率開關電源電路中,最常見的應用電器應用充電器電路中,13001電路簡單,制作方便、成本低及可靠性好。深受廣大工程師喜愛,下面介紹基于13001開關電路。
關鍵詞:開關穩壓電源充電器電路圖 所屬欄目:開關電源電路圖
經典13003開關電源電路圖
在開關電源電路中,13003作為開關管使用很多,常見用于小功率開關電源電路中,如手機充電器中,開關電源是將交流轉換成直流電源,控制開關管開通和關斷的時間比率,維持穩定
關鍵詞:充電器電路圖開關穩壓電源 所屬欄目:開關電源電路圖
開關電源pcb板布板注意事項
一、印制板布線的一些原則線間距:隨著印制線路板制造工藝的不斷完善和提高,一般加工廠制造出線間距等于甚至小于0.1mm已經不存在什么問題,完全能夠滿足大多數應用場合。考
關鍵詞:電路設計開關穩壓電源 所屬欄目:開關電源電路圖
開關電源初次上電“炸機”?一招教你搞定
做了這么些年的開關電源設計,一個很讓我心里忐忑的事就是新做的樣機進行初次上電,擔心炸機。相信很多工程師跟我一樣深有體會,把自己的新樣機在上電之前檢查再檢查,生怕
關鍵詞: 所屬欄目:開關電源電路圖
12V開關直流穩壓電源電路圖(TWH8778應用電路)
本電路主要應用TWH8778作為控制芯片,首先給大家介紹一下TWH8778集成電路,TWH8778屬于高速集成電子開關,可用于各種自動控制電路。它外形簡單,外圍電路簡單,內部包含過熱
關鍵詞:高頻開關電源開關穩壓電源直流穩壓電源 所屬欄目:開關電源電路圖
開關電源有嘯叫聲如何維修(經驗分享)
開關電源有嘯叫聲如何維修;開關電源在電器設備中至關重要,是整個電器的基礎電路,如果開關電源工作不穩定,那么后級電路設計到在好也是空談,一些細心的朋友可能會發現,
關鍵詞:高頻開關電源開關穩壓電源穩壓電源 所屬欄目:開關電源電路圖
viper22a電路圖原理
viper22a電路圖原理;下面將用一個DVD開關電源電路圖為大家介紹viper22a工作原理。DVD所用的電源IC為專用開關電源集成電路VIPER22A,圖4是其外引腳圖,圖中,第1、2腳SOURCE是內部場效應管源極的表示,在使用中通常接地,3腳FB是取樣電壓輸入端,4腳VDD是供電電壓端,
關鍵詞:直流穩壓電源開關穩壓電源 所屬欄目:集成塊資料
viper22a開關電源電路圖
viper22a開關電源電路圖:viper22a介紹:典型應用包括離線電源;用于電池充電器適配器備用電源;電視或顯示器用品,輔助用品
關鍵詞:直流穩壓電源開關穩壓電源 所屬欄目:集成塊資料
TL494開關電源電路圖
TL494開關電源電路圖
VMOS管開關電源應用電路如圖所示,設計為一種采用TL494開關集成電路元件作為控制電路的推挽式開關電源。在圖中,TL494用作電源的控制電路,除了作為
關鍵詞:穩壓集成電路穩壓電源 所屬欄目:開關電源電路圖
KA7500B各引腳電壓參考值
KA7500B各引腳電壓參考值 KA7500B是開關電源控制芯片,KA7500B引腳功能在本站一文中詳細介紹過( KA7500B中文資料,引腳功能圖),需要的朋友可以看下。今天給大家介紹KA75
關鍵詞:穩壓電源開關穩壓電源穩壓集成電路 所屬欄目:集成塊資料
開關電源高頻磁性元件設計中8種常見的錯誤概念
1、引言開關電源中高頻磁性元件的設計對于電路的正常工作和各項性能指標的實現非常關鍵。加之高頻磁性元件設計包括很多細節知識點,而這些細節內容很難被一本或幾本所謂的&
關鍵詞: 所屬欄目:開關電源電路圖
探究開關電源波紋的產生、測量與抑制
一、PCB布線與紋波關系布局:脈沖電壓連線盡可能短,其中輸入開關管到變壓器連線,輸出變壓器到整流管連接線。脈沖電流環路盡可能小如輸入濾波電容正到變壓器到開關管返回電
關鍵詞: 所屬欄目:開關電源電路圖