PW2205開發了一種高效率的同步降壓DC-DC轉換器5A輸出電流。PW2205在4.5V到30V的寬輸入電壓范圍內工作集成主開關和同步開關,具有非常低的RDS(ON)以最小化傳導" />
典型應用電路

非常感謝用戶kuakewei 的投稿!
本文地址:http://www.mnu8.com/Components/161007256PW2205.shtml
本文標簽:
猜你感興趣:
PL2733A 寬范圍同步降壓控制器
關鍵詞: 所屬欄目:元器件知識
PL5900A 1.2A同步降壓調節器
關鍵詞: 所屬欄目:元器件知識
FP6396 1.2A同步降壓轉換器
關鍵詞: 所屬欄目:元器件知識
FP6378A 2A同步降壓調節器
關鍵詞: 所屬欄目:元器件知識
FR9608 3A同步降壓DC/DC轉換器
關鍵詞: 所屬欄目:元器件知識
FR9811 2A同步降壓DC/DC轉換器
關鍵詞: 所屬欄目:元器件知識
FP6381A 高效1.5MHz 1.2A同步降壓變頻器
關鍵詞: 所屬欄目:元器件知識
FR9850 SOT23-6 2A同步降壓芯片 DC-DC轉換器
關鍵詞: 所屬欄目:集成塊資料
FR9850F 18V、2A同步降壓DC/DC轉換器
關鍵詞: 所屬欄目:集成塊資料
FR9206 SOT23-6 3A同步降壓芯片 DC-DC轉換器
關鍵詞: 所屬欄目:集成塊資料
FR9206F 18V、3A同步降壓DC/DC轉換器
關鍵詞: 所屬欄目:集成塊資料
FP6730 2A同步降壓芯片 DC-DC轉換器
一般說明
FP6730 是電流模式、脈沖寬度調制、升壓型直流/直流轉換器。內置的高壓 N 溝道 MOSFET 允許 FP6730 用于輸出電壓高達24V的升壓應用,以及單端初級電感轉換器(SE
關鍵詞: 所屬欄目:集成塊資料
M12269 支持PD3.1等快充協議、140W升降壓3-8節多串鋰電
深圳市永阜康科技有限公司現在順勢推廣一顆支持PD3.1/QC3.0等主流快充協議、3-8節升降壓型140W鋰電充放電管理SOC-M12269。
關鍵詞: 所屬欄目:電源電路
M3033 內置PD2.0/QC2.0快充協議2-7串多節升降壓鋰電充
深圳市永阜康科技有限公司現在大力推廣成都水芯電子的一顆內置PD2.0/QC2.0等快充協議多節100W升降壓鋰電充電管理芯片M3033,可支持2-7串鋰電快速充電,滿足多串大容量鋰電池組應用場合。高度集成的芯片設計,可以做成很小體積的成品,應用簡單,直接使用Type-C充電,無需專用充電器、避免資源浪費。
關鍵詞: 所屬欄目:電源電路
ZCC2458 耐壓60V同步降壓芯片
一:概述
ZCC2458 是小型帶內部開關的 48V、 0.6A 降壓 DC/DC穩壓器,具備 SKIP 控制模式,將低靜態電流與高開關頻率相結合,輸出電壓可在較寬輸出電壓范圍內通過電阻式分
關鍵詞: 所屬欄目:電子器材
12V轉5V降壓芯片,12V轉3.3V穩壓芯片電路圖
12V轉5V應用中,大多要求會輸出電流高的,穩壓LDO就不能滿足了,需要使用DC-DC降壓芯片來持續穩壓5V,輸出電流1000MA,2000MA,3000MA,5000MA等。不同的輸出電流可以選擇適
關鍵詞: 所屬欄目:元器件知識
5V降壓轉3.3V,5V轉3V電路圖芯片
5V降壓轉3.3V和3V都是低壓,兩個之間的壓差效率,所以效率和工作溫度這塊都會比較優秀,輸入和輸出的最低壓差外是越小越好。
如果電流比較小,可以用LDO:PW6566 系列是
關鍵詞: 所屬欄目:元器件知識
0.8A,4.5V-55V輸入,異步降壓調節器PW2558及典型應用
說明
PW2558開發了一種高效的異步降壓DC/DC調節器輸出0.8A電流。集成電路采用電流模式自適應恒關斷時間控制。這個PW2558可在4.5V至55V的寬輸入電壓范圍內工作,并將主開關
關鍵詞: 所屬欄目:元器件知識
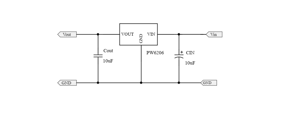
PW6206降壓調節參數及應用電路圖
一般說明
PW6206系列是一款高精度,高輸入電壓,低靜態電流,高速,低壓降線性穩壓器具有高紋波抑制。在VOUT=5V&VIN=7V時,輸入電壓高達40V,負載電流高達300mA,采用BCD工
關鍵詞: 所屬欄目:元器件知識
PW2052 DC-DC降壓調節器電路圖
一般說明 中英翻譯篇,翻譯部分
PW2052是一種高效率、高頻同步DC-DC降壓調節器。100%的人占空比特性提供低壓差操作,延長便攜式系統的電池壽命。內部同步開關提高了效率,
關鍵詞: 所屬欄目:元器件知識