鋰電池的應用普及催生出了眾多便攜式的數碼產品,如戶外電源、電動工具、筋膜槍、充氣泵、大功率充電寶等。這類產品都內置了多節多串鋰電池組成的高容量、大功率電池包,支撐這些產品市場應用都離不開升降壓充電管理芯片。升降壓英文名稱為Buck-Boost,顧名思義既可升壓又可降壓。不管輸入電壓是低于,高于或者等于電池組電壓,芯片可自動控制升壓或降壓,對電池組實現充電管理。
公司現在大力推廣成都水芯電子的一顆內置PD2.0/QC2.0等快充協議多節100W升降壓鋰電充電管理芯片M3033,可支持2-7串鋰電快速充電,滿足多串大容量鋰電池組應用場合。高度集成的芯片設計,可以做成很小體積的成品,應用簡單,直接使用Type-C充電,無需專用充電器、避免資源浪費。
產品概要
M3033 是一款電源管理 SOC,集成了單指令周期的高性能微處理器(MCU)、16-bit 高精度模/數轉換單元(SD-ADC)、Buck-Boost 控制單元、MOSFET 驅動接口、LED 直接驅動接口,以及多種安全保護機制。M3033支持 PD2.0、QC2.0 快充協議,配合少許外圍電路,即可組成 2-7 串電池的充電管理解決方案。采用QFN-48封裝。
特點
電壓變換器
l 支持升壓和降壓
l 支持 CV/CC 模式
l 輸入電壓范圍 4.5-25V
快充協議
l PD2.0:5V / 9V / 12V / 15V / 20V
l QC2.0:5V@3A,9V@2A,12V@1.5A
充電性能
l 充電功率:可配置,10W~100W
l 充電電流:可配置,0~6A
l 充電效率:最高可達 96%
l 充電電流精度:16mA
l 充電電壓精度:滿電壓精度為±50mV/串
支持電池
l 電池串數:可配置,2~7 串 R
l 電池規格:可配置,4.2~4.45V,0.05V遞增 擴展用外圍功能
l LED 直接驅動端口:3 路 典型應用
l 通用輸入/輸出端口:4 路
應用領域
電動工具、電動自行車、小家電、太陽能、儲能電池等快充應用領域
M3033應用信息
1.M3033腳位圖

2.M3033管腳說明
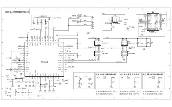
3.M3033 DEMO板原理圖

4.M3033 DEMO板PCB頂層設計圖

5.M3033 DEMO板PCB底層設計圖容-源-電-子-網-為你提供技術支持
非常感謝用戶yongfukang 的投稿!
本文地址:http://www.mnu8.com/dz/23/16565711004596.shtml
本文標簽:
猜你感興趣:
M3033 內置PD2.0/QC2.0快充協議2-7串多節升降壓鋰電充電管理IC方案
深圳市永阜康科技有限公司現在大力推廣成都水芯電子的一顆內置PD2.0/QC2.0等快充協議多節100W升降壓鋰電充電管理芯片M3033,可支持2-7串鋰電快速充電,滿足多串大容量鋰電池組應用場合。高度集成的芯片設計,可以做成很小體積的成品,應用簡單,直接使用Type-C充電,無需專用充電器、避免資源浪費。