

我們采用這樣的設計將使得反接保護二極管的電壓和達靈頓的飽和電壓一起產生壓降,在高溫下,繼電器可能無法吸合

繼電器驅動保護電路設計
因此RELAY供應商往往不推薦使用這樣的設計,如圖所示:

不覺得上面這個設計比前面一個設計好多少,不過如果這樣設計的話,問題可以解決一部分。
驅動電路的保護問題

感性負載固有關斷有瞬態電壓的問題,這個屢次經過計算,加二極管續流的問題是以繼電器本身的壽命為代價的,這并不合算。如果不加續流二極管,則需要考慮這部分能量怎么瀉放的問題繼電器驅動保護電路設計
后三種方案可選擇,不過穩壓管最便宜,但是速度較慢。
三極管為什么會壞?
三極管的軟擊穿
對于集電極電壓超過V(BR)CEO而引起的擊穿,只要外電路限制擊穿后的電流,管子就不會損壞,待集電極電壓減小到小于V(BR)CEO后,管子也就恢復到正常工作,因此這種擊穿是可逆的,不是破壞性的。
三極管的二次擊穿
如果上述擊穿后,電流不加限制,就會出現集電極電壓迅速減小,集電極電流迅速增大的現象,通常將這種現象稱為二次擊穿。發生二次擊穿的過程是:結面某些薄弱點上電流密度增大,引起這些局部點的溫度升高,從而使局部點上電流密度更大,溫度更高,如此反復作用,最后導致過熱點的晶體熔化,相應在集射極間形成低阻通道,導致vCE下降,iC劇增,結果是功率管尚未發燙就已損壞。因此二次擊穿是不可逆的,是破壞性的。可見,二次擊穿是在高壓低電流時發生的,相應的功率稱為二次擊穿耐量。
最后一個問題是反接保護的問題
這是一個討厭的問題,二極管的問題是壓降,如果使用PMOS或者NMOS呢,COIL的反電壓容易對PMOS產生影響,因此請大家慎重選擇反接保護電路。
本文地址:http://www.mnu8.com/dz/24/15478766293103.shtml
本文標簽:
猜你感興趣:
一文告訴你繼電器是什么及種類
繼電器是什么?種類有哪些?通過下面內容的介紹,大家都會有繼電器有一個全新的認識,如果大家閱讀完本文還有不明白的地方可以在本文下方留言。
關鍵詞: 所屬欄目:元器件知識
時控開關和時間繼電器怎么接線?
關鍵詞: 所屬欄目:開關電源電路圖
定時開關和時間繼電器有什么區別?
定時開關和時間繼電器都是電路中常用的電子元器件,都是對時間進行調整,應用對象都是時間,兩者之間有什么不同。
關鍵詞: 所屬欄目:開關電源電路圖
合并式單端A類電子管功放電路設計
如圖所示為合并式單端A類電子管功放電路圖,本電路輸出功率:8W×2輸出阻抗:4Ω、8Ω輸入靈敏度:l.4V失真系數:2%頻率響應:25Hz-20kHz-3dB。電源功耗:120W。 :
關鍵詞: 所屬欄目:音頻功放電路
集成功率放大器件或分立元件放大電路設計
圖1為一個由分立元件構成的直流化的互補對稱OCL電路。電路由差分放大級、電壓推動級和復合輸出級構成。本電路引入了直流負反饋電路,一般功放中由于存在反饋電容,限制了低頻響應,為了消除這種不利影響,只有增
關鍵詞: 所屬欄目:音頻功放電路
多媒體有源音箱電路設計
本音箱的高、寬、深分別為280mm×120mm×170mm(內部有效容積約3.4L)。板材為厚15mm的中密度板。左右聲道音箱前面板尺寸如圖所示。倒相孔設在箱體背面上方,長度為68mm,由于倒相管在音箱背面,所以擺放時音箱后
關鍵詞: 所屬欄目:音頻功放電路
HY-1應用電路設計
HY-1音樂集成電路內存一首樂曲。當觸發端受脈沖觸發后立即輸出音樂信號,樂曲程序結束時工作自行停止。當觸發端與觸發電平相連時,電路反復嗚奏,直到脫離觸發電平且正常演奏的樂曲程序結束后才自行停止。電路內
關鍵詞: 所屬欄目:音頻功放電路
NFC技術與RFID技術芯片實現雙向預付費系統的設計
有位客戶采用預付電費方案,回家后卻發現照明燈沒有亮。于是,她拿出手機并打開一個應用程序(app),向其電費賬戶中又額外增加了50美元額度。然后她將手機靠近電能監測顯示
關鍵詞: 所屬欄目:設計編程
RFID讀寫器有哪幾部分組成及原理設計方案
隨著現代信息技術和超大規模集成電路的發展,RFID技術在服務領域、貨物銷售與后勤分配、商業部門、生產企業和材料流通領域得到了越來越廣泛的應用。射頻識別技術的基本原理
關鍵詞:電路設計 所屬欄目:設計編程
音樂門鈴電路設計
CIC2851AE是目前應用較為普遍的單曲音樂IC,它采用塑料封裝單列直插式,共有9個輸出腳,缺角處為第1腳。晶體管BG在這里起音頻功效放大作用,BG最好采用集電極耗散功率大于300mW的硅NPN型三極管,如3DX201、3DG12、
關鍵詞: 所屬欄目:音頻功放電路
參數型中頻均衡器電路設計
均衡器是在電信設備中,用以校正因頻率不同而引起的衰減(即傳輸損耗)及相位差不同的網絡。能校正衰減與頻率關系的,稱為“衰減均衡器”;能校正相位差與頻率關系的稱為“相位均衡器”。在有線電視系統里經常需
關鍵詞: 所屬欄目:音頻功放電路
看門狗電路電路圖及工作原理
在工業控制中常使用MCS-51系列單片機,為了防止程序跑飛往往外接一個看門狗電路。看門狗電路可完成加電復位和死機復位兩種功能。成品的看門狗集成電路如MAX813L等價格一般都
關鍵詞: 所屬欄目:電路圖
三相交流固態繼電器(接觸器)接線圖
三相交流固態繼電器是集三只單相交流固態繼電器為一體,以單一輸入端對三相負載進行直接開關切換,并可以用幾毫安的微小信號來控制大功率負載的起動與切斷的開關器件。三相交流固態繼電器以三只可控硅作為A、B、C三相的輸出開關觸點,有不同電流、電壓等級,能夠可靠、安全、方便地控制三相交流電機、加熱器等三相負載。
關鍵詞:電機控制 所屬欄目:元器件知識
提高PCB設計成功率三點技巧
PCB設計過程中,如果能提前預知可能的風險,提前進行規避,PCB設計成功率會大幅度提高。很多公司評估項目的時候會有一個PCB設計一板成功率的指標。提高一板成功率關鍵就在于
關鍵詞:電路設計 所屬欄目:pcb
AD811與BUF634P功放電路功率放大電路設計
本電路應用AD811與BUF634P結成功放電路;通過電路圖可以看到是正負15V供電,效果很好。功率放大器,簡稱“功放”。很多情況下主機的額定輸出功率不能勝任帶動整個音響系統的任務,這時就要在主機和播放設備之間加裝功率放大器來補充所需的功率缺口。。
關鍵詞:功放集成電路AV放大器電路音頻放大器電路圖 所屬欄目:音頻功放電路
具有300B音色的晶體管后級功放電路設計
一臺既吸收電子管的“樂感”優勢,又具有晶體管使用方便特點的晶體機,全機主角為Q1N-MOSFETIRFP140,由于是接成單級的增益放大,故為反相輸出,輸出端是喇叭的負端,而接地點才是正端。另外有一顆P-MOSFETQ2
關鍵詞:音頻放大器電路圖 所屬欄目:音頻功放電路
便攜式麥克風前置放大電路設計
如圖所示為便攜式麥克風前置放大電路電路圖,該電路是一個低噪音的基礎上,高增益兩個階段PNP和NPN晶體管放大器,利用通過R6的直流負反饋穩定的工作條件比較準確。 :
關鍵詞: 所屬欄目:音頻功放電路
如何選擇光藕繼電器
如何選擇光藕繼電器
如何選擇光藕繼電器-光藕繼電器的選擇原則 (1)光藕繼電器的主要技術性能,如觸點負荷,動作時間參數,機械和電氣壽命等,應滿足整機系統的要求
關鍵詞:電路設計 所屬欄目:電子基礎
直流固態繼電器內部電路
直流固態繼電器內部電路
固態繼電器內部電路G5NB-1ADC5的框圖如圖13-17所示。它主要由輸入電路,光耦合器,驅動電路,開關輸出電路和瞬態峰值抑制電路組成。
(1)輸入
關鍵詞:直流固態繼電器 所屬欄目:電子基礎
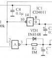
傳感器激活繼電器脈沖
一個傳感器打開Q1來激活低頻555振蕩器,這會脈沖電燈I1。傳感器對于改變光線或者溫度是很敏感的。 :
關鍵詞: 所屬欄目:傳感器技術